+86-0523-83274900
Babae na si John Morris ay may sinulid na pagkabit
Home / Produkto / Mga karaniwang pagkabit / International Standard Couplings / John Morris Couplings / Babae na si John Morris ay may sinulid na pagkabit

Babae na si John Morris ay may sinulid na pagkabit

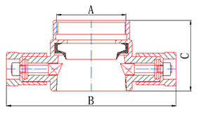
Ang babaeng si John Morris na may sinulid na pagkabit ay kabilang sa serye ng pagkabit ng John Morris, na may isang dulo na nagtatampok ng isang panloob o panlabas na thread at ang kabilang dulo ay mayroong isang Groove ng pagkabit.
Ang pagkabit na ito ay ginagamit sa Ikonekta ang mga hose ng sunog at kagamitan sa pag -aapoy (tulad ng mga pump ng apoy, mga hose ng sunog, at mga hydrant ng apoy). $

Sukat Mga mapagkukunan

Item no.

Din/mm

Dia

A/mm

B/mm

C/mm

Kyk

65/50

2.5 "/2"

G2 "

182

76

65

2.5 "

G2.5 "

182

76

* Ang mga materyales at proseso ng pagmamanupaktura ay maaaring ipasadya kapag hiniling.
* Ang iba pang mga kinakailangan (tulad ng presyon ng pagtatrabaho, pagsabog ng presyon, atbp.) Ay maaari ring ipasadya kung kinakailangan. $

Jiangsu jinding Fire Protection Technology Co, Ltd.
Ang Jiangsu Jinding Fire Protection Technology Co, Ltd, na matatagpuan sa Jiang Su Xinghua Economic Development Zone, ay itinatag noong 1998. Ito ay isang pang -industriya na kumpanya na nagsasama ng disenyo, pag -unlad, paggawa at pagbebenta. Ang Kumpanya ay naipasa ang ISO9001: 2015 Sertipikasyon ng Kalidad ng Sistema at sertipikasyon ng produkto ng produkto, at nakuha ng mga kaugnay na produkto ang ulat ng inspeksyon ng National Fire Equipment Kalidad $ Supervision and Inspection Center.
Pangunahing gumagawa ang aming kumpanya ng ilang serye ng mga produkto, kabilang ang mga panlaban sa sunog na coupling, water nozzle, fire hydrant, malalaking diameter na pipe coupling, at oilfield water supply coupling. Ang mga produktong ito ay malawakang ginagamit sa proteksyon ng sunog, petrolyo, kemikal, militar, custom at iba pang mga industriya.
Ang kumpanya ay may mahusay na independiyenteng kakayahan ng R&D at may isang kumpletong hanay ng mga proseso ng paggawa tulad ng paggawa ng amag, pagproseso ng produksyon at pagsubok ng produkto. Kasabay nito, ang enterprise ay nakakabit ng kahalagahan sa mga kinakailangan ng mga customer, napapanahong hinahawakan ang dinamika ng merkado, patuloy na bubuo at gumagawa ng mga bagong produkto, at nanalo ng tiwala at papuri ng bago at lumang mga customer.
Ang kumpanya ay naghahatid ng maaasahan Babae na si John Morris ay may sinulid na pagkabit at mga propesyonal na serbisyo batay sa de-kalidad na pangako at collaborative partnership, nagsusumikap na bumuo ng napapanatiling pakikipagtulungan sa mga kliyente.
27+

27 taon ng industriya Karanasan sa Paggawa

Mga Sertipiko
Balita
Magkaroon ng isang pag -uusap
Kamusta lang at magsisimula kami ng isang mabunga na pakikipagtulungan. Simulan ang iyong sariling kwento ng tagumpay.
Kailangan mo ng kagamitan para sa iyong negosyo?
Hayaan ang aming koponan na magbigay sa iyo ng mga pasadyang solusyon.