+86-0523-83274900
Storz Adapter Couplings - Flanged
Home / Produkto / Adapter / Storz Adapter Couplings - Flanged

Storz Adapter Couplings - Flanged

Ang mga pagkabit ng adapter ay ginagamit upang kumonekta o mag -convert sa pagitan ng iba't ibang mga pamantayan at uri ng mga kasangkapan. Pinapayagan nila kung hindi man hindi magkatugma ang mga interface na konektado sa bawat isa nang walang putol.

Kasama sa mga pagkabit ng adapter, ngunit hindi limitado sa: Aleman hanggang Storz (lalaki/babae), Aleman hanggang sa kagubatan, Aleman sa Aleman sa sarili, Aleman hanggang Flange, Aleman hanggang sa Multi-Tooth, Storz Lalaki sa Storz Babae, Storz hanggang Forestry, atbp.
Ang lahat ng mga uri ng mga pagkabit ng adapter ay maaaring ipasadya kapag hiniling.

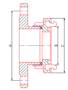
Sukat Mga mapagkukunan

Item no.

Din/mm

Dia

A/mm

B/mm

C/mm

/

80

3 "

160

89

126

Maliit100

4 "

180

115

156

Maliit na 100 (American Standard)

4 "

190.5

115

156

Malaking 100

4 "

180

133

182

Big 100 (American Standard)

4 "

190.5

133

182

150

6 "

240

160

215

150 (American Standard)

6 "

241.3

160

215

200

8 "

295

220

280

200 (American Standard)

8 "

298.5

220

280

250

10 "

355

278

339

250 (American Standard)

10 "

362

278

339

300

12 "

410

316

384

300 (American Standard)

12 "

431.8

316

384

350

14 "

470

366

448

350 (American Standard)

14 "

476.3

366

448

* Ang mga materyales at proseso ng pagmamanupaktura ay maaaring ipasadya kapag hiniling.
* Ang iba pang mga kinakailangan (tulad ng presyon ng pagtatrabaho, pagsabog ng presyon, atbp.) Ay maaari ring ipasadya kung kinakailangan. $

Jiangsu jinding Fire Protection Technology Co, Ltd.
Ang Jiangsu Jinding Fire Protection Technology Co, Ltd, na matatagpuan sa Jiang Su Xinghua Economic Development Zone, ay itinatag noong 1998. Ito ay isang pang -industriya na kumpanya na nagsasama ng disenyo, pag -unlad, paggawa at pagbebenta. Ang Kumpanya ay naipasa ang ISO9001: 2015 Sertipikasyon ng Kalidad ng Sistema at sertipikasyon ng produkto ng produkto, at nakuha ng mga kaugnay na produkto ang ulat ng inspeksyon ng National Fire Equipment Kalidad $ Supervision and Inspection Center.
Pangunahing gumagawa ang aming kumpanya ng ilang serye ng mga produkto, kabilang ang mga panlaban sa sunog na coupling, water nozzle, fire hydrant, malalaking diameter na pipe coupling, at oilfield water supply coupling. Ang mga produktong ito ay malawakang ginagamit sa proteksyon ng sunog, petrolyo, kemikal, militar, custom at iba pang mga industriya.
Ang kumpanya ay may mahusay na independiyenteng kakayahan ng R&D at may isang kumpletong hanay ng mga proseso ng paggawa tulad ng paggawa ng amag, pagproseso ng produksyon at pagsubok ng produkto. Kasabay nito, ang enterprise ay nakakabit ng kahalagahan sa mga kinakailangan ng mga customer, napapanahong hinahawakan ang dinamika ng merkado, patuloy na bubuo at gumagawa ng mga bagong produkto, at nanalo ng tiwala at papuri ng bago at lumang mga customer.
Ang kumpanya ay naghahatid ng maaasahan Storz Adapter Couplings - Flanged at mga propesyonal na serbisyo batay sa de-kalidad na pangako at collaborative partnership, nagsusumikap na bumuo ng napapanatiling pakikipagtulungan sa mga kliyente.
27+

27 taon ng industriya Karanasan sa Paggawa

Mga Sertipiko
Balita
Magkaroon ng isang pag -uusap
Kamusta lang at magsisimula kami ng isang mabunga na pakikipagtulungan. Simulan ang iyong sariling kwento ng tagumpay.
Kailangan mo ng kagamitan para sa iyong negosyo?
Hayaan ang aming koponan na magbigay sa iyo ng mga pasadyang solusyon.